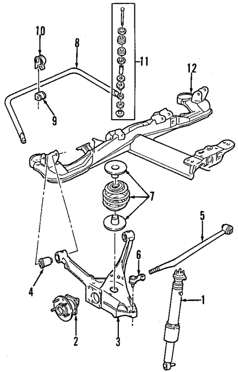
Rear Suspension for 1997 Buick Park Avenue
No.
Part # / Description / Price
Price
1
Control Arm
GM
GM Positions: Rear right
Description: Lucerne. Firm ride & handling susp. Right. Without sport suspension. DTS. Without air chassis suspension. Soft ride suspension. Exc.Heavy Duty Suspension. Incl.Bushings.
2
Suspension Control Arm Bushing
GM
GM Positions: Left
Notes: PARTS: Part included with control arm.
Description: Bonneville, LeSabre. Park Avenue. Seville. Exc.Heavy Duty Suspension. Exc.Hearse Prep Package. Exc.Limousine Prep Package. All models.
4
Position Sensor Ball Stud
GM
GM Positions: Left
Notes: PARTS: Part included with control arm.
MSRP $26.44 CAD
$23.80 CAD
MSRP $26.44 CAD
$23.80 CAD
5
Tie Rod Assembly
GM
GM Positions: Left
Description: All models. Left. Park Avenue. 1st design. Seville.
5
Tie Rod Assembly
GM
GM Positions: Right
Description: All models. Right. Park Avenue. 1st design. Seville.
7
Inner Tie Rod Bolt
GM
GM Positions: Right
Notes: PARTS: Part included with tie rod assy.
Description: Power steering, outer.
11
Coil Spring
GM
GM Positions: Left
Notes: PARTS: Order by description.
Description: LeSabre. Aurora. Performance & Handling Suspension. Park Avenue. Code ncwith ncy. Code nfh. Riviera. Suspension Code:PCW,RSZ,RTS.
11
Coil Spring
GM
GM Positions: Left
Notes: PARTS: Order by description.
Description: Park Avenue. Code rab. Seville. Code ncr. Code pdj.
13
18
Front Insulator
GM
GM Positions: Right
Description: Lucerne. Right. Front. DTS. Without air chassis suspension. DeVille.
18
Front Insulator
GM
GM Positions: Left
Description: Lucerne. Left. Front. DTS. Without air chassis suspension. DeVille.
19
Rear Insulator
GM
GM Positions: Right
Description: DTS. Without air chassis suspension. Rear. DeVille.
$89.90 CAD
$89.90 CAD
20
Suspension Cross-Member
GM
GM Notes: PARTS: Order by description.
Description: Park Avenue. Seville. All models. DeVille. Bonneville, LeSabre.
2 This part contains hazardous materials. Extra shipping costs apply.
No.
Part # / Description / Price
Price
N/A
Compressor Assembly
GM
GM Description: Auto leveling system. Bonneville, LeSabre. Park Avenue. All models.
N/A
N/A
HVAC Blower Motor Relay
GM
GM Description: ENGINE COMPARTMENT. gray-tall rectangle.
MSRP $31.50 CAD
$28.42 CAD
MSRP $31.50 CAD
$28.42 CAD
4
Suspension Control Arm Bushing
GM
GM Description: Bonneville, LeSabre. Park Avenue. Seville. Exc.Heavy Duty Suspension. Exc.Hearse Prep Package. Exc.Limousine Prep Package. All models.
7
Coil Spring
GM
GM Notes: Parts & Prices For Coil Springs Are For Estimating Purposes Only. Order By Code.
Description: Park Avenue. Code rab. Seville. Code ncr. Code pdj.
8
Stabilizer Bar
GM
GM Description: Lucerne. DeVille. DTS. Park Avenue. Seville. Soft ride suspension. LeSabre.
8
Stabilizer Bar
GM
GM Description: Firm suspension. Park Avenue. Firm ride & handling. 20mm. Bonneville. With ride & handling susp. All models.
9
Stabilizer Bar Bushing
GM
GM Description: Lucerne. DeVille. DTS. Park Avenue. Yellow. Seville. Soft ride suspension. LeSabre.
9
Stabilizer Bar Insulator
GM
GM Description: Park Avenue. Firm ride & handling. White. Bonneville. With ride & handling susp. 20mm. All models.
10
$32.91 CAD
11
Stabilizer Link
GM
GM Description: Bonneville, LeSabre. Lucerne. DeVille. DTS. Park Avenue. All models. Seville.
12
Suspension Cross-Member
GM
GM Description: Park Avenue. Seville. All models. DeVille. Bonneville, LeSabre.
2 This part contains hazardous materials. Extra shipping costs apply.
Related Parts
Part # / Description / Price
Price
Lower Ball Joint Cotter Pin
GM
GM Positions: Left
Notes: PARTS: Part included with tie rod assy.
MSRP $15.53 CAD
$13.97 CAD
MSRP $15.53 CAD
$13.97 CAD
Outer Tie Rod Nut
GM
GM Positions: Left
Notes: PARTS: Part included with tie rod assy.
Description: 1992-96 without STS, 1992-95 with STS. Without magnasteer. Outer rod. 1996 with STS, 1997 all.
$13.57 CAD
$13.57 CAD
