Condenser Upper Retainer - GM (14076670)

Condenser Upper Retainer - GM (14076670)

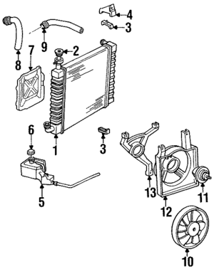
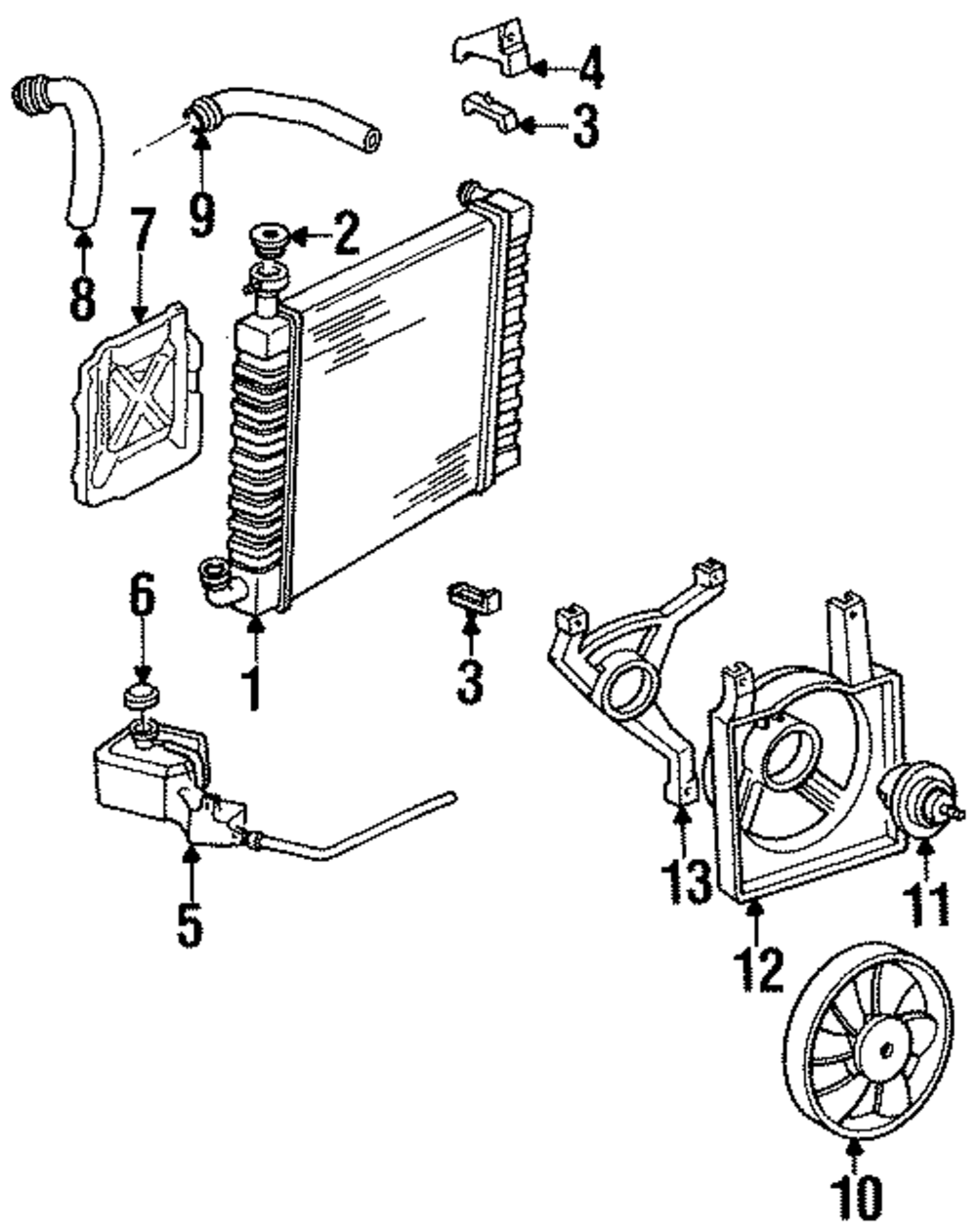
Part can be found as reference #4 in illustration

Condenser Upper Retainer - GM (14076670)

Buick, GMC, Cadillac, Hummer, Saturn, Oldsmobile, Pontiac, Chevrolet Parts
  • GM
  • 14076670

Details

  • Brand:

    Buick, GMC, Cadillac, Hummer, Saturn, Oldsmobile, Pontiac, Chevrolet Parts

  • SKU:

    14076670

  • Other Names:

    Insulator Retainer

  • Description:

    6 cylinder. 2.2L.

Discontinued Product

No Longer Available For Purchase

Manufacturer Warranty Minimum of 12 Months
Guaranteed Fitment Always the correct parts
Shop with Confidence Your information is safe
In-House Experts We know our products
Buick, GMC, Cadillac, Hummer, Saturn, Oldsmobile, Pontiac, Chevrolet Parts
  • GM
  • 14076670

Details

  • Brand:

    Buick, GMC, Cadillac, Hummer, Saturn, Oldsmobile, Pontiac, Chevrolet Parts

  • SKU:

    14076670

  • Other Names:

    Insulator Retainer

  • Description:

    6 cylinder. 2.2L.

Vehicle Fitment

Vehicle Fitment
Year Make Model Body & Trim Engine & Transmission
( more fitments)
No fitment data available

Bean Parts

In an age when most dealerships are part of a group, we offer something really different for our customers. The Bean Family is filled with great people who are talented, motivated and genuinely like to interact with our customers. My job as the Dealer at Bean Chevrolet Buick GMC is to provide all the tools that our employee’s need to do their job – and I strive to make our dealership the very best place to work so that our customers can continue to enjoy working with only the best people. We are proud to serve the Ottawa Valley including Carleton Place, Almonte, Pakenham, Blakeney, Beckwith, Clayton, Lanark, Snow Road Station, McDonald’s Corners, Flower Station, Ompah, Plevna and Munster.

With the addition of Beanparts.ca we are excited to expand our services to those outside the Ottawa Valley BUT keep that same great small town service! 

Beanparts.ca is your go to online retailer for original GM parts and accessories. You can use the VIN lookup feature to find parts that will match your vehicle. Have questions about a part? Contact us today! [email protected] or call us at 613-257-2432. 

GM

Shop our wide selection of GM parts and accessories from the Pros at Bean's! Shipping available so you can receive what you need right to your door!